Wall Mounted Accessible Water Cooler
Product Code: WCWM
DDA compliant.
Description
Wall-Mounted Stainless Steel DDA Compliant Water Cooler
Product Code: WCWM
Accessible, High-Performance Chilled Water Solution. The model A171408F-220V wall-mounted DDA compliant watercooler is a premium, wheelchair-accessible drinking fountain designed for schools, gyms, offices and commercial environments. Manufactured from high-grade 304 stainless steel, this durable and hygienic water cooler provides 30 litres of chilled drinking water per hour, making it ideal for high-usage areas. With easy-push anti-microbial controls and flexible installation height options, it delivers reliable performance while meeting modern accessibility standards.
Optimised for efficiency, safety and long-term use, this wall-mounted water cooler is one of the most cost-effective and compliant hydration solutions for indoor public spaces.
Key Features & Benefits
- DDA compliant design suitable for both wheelchair users and able-bodied users.
- Body and bowl manufactured from grade 304 stainless steel for strength, hygiene and longevity, .
- Flexible mounting at adult or junior height.
- High output: Delivers up to 30L/hour of chilled water (26.7°C reduced to 10°C).
- Anti-microbial, easy-push front activation button.
- Chiller includes water leak detection auto shut off valve.
- Insulated evaporator for improved cooling efficiency.
- Mains-fed design for reliable, continuous water supply.
- CE marked for quality and safety compliance.
- Adjustable thermostat with R-134a refrigerant.
What’s Included With This Unit
- Anti-microbial, non-squirt bubbler valve with flexible guard.
- Pre-plumbed setup with Y-strainer and flow adjuster.
- 32mm waste fitting.
- Pre-wired lead and plug for standard 13A socket.
Ideal Installation Environments
This indoor wall-mounted water cooler is perfect for:
- Schools, colleges and universities.
- Gyms, leisure centres and sports facilities.
- Factories, warehouses and industrial sites.
- Offices and commercial buildings.
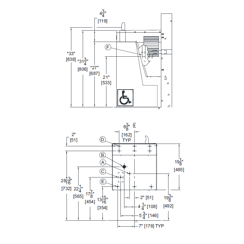
Product Dimensions
- Height: 485mm (without bubbler).
- Width: 470mm.
- Depth: 470mm.
Fast Delivery
In stock for quick dispatch.
Standard delivery: 1 to 3 working days.
Optional Extras
- Easy change water filter panel, 11,356 litre capacity.
- Unit available with top mounted sensor operated bottle filler.
- Spare water filter for easy change water filter panel.
**All pictures shown are for illustration purpose only and may be subject to change without notice. Actual product may vary due to product enhancement.
All dimensions shown are for guidance only and may be subject to change or alteration without notice. All items manufactured or purchased separately from a third party to fit our products should be checked against the actual dimensions of the physical product before purchase. We will not be liable for third party costs and consequential loss associated with the items not fitting third party components.**
Dimensions

Delivery
Delivery
From stock usually 1 to 3 working days.
Delivery Times
Delivery times stated on the website are indicative of the average time it takes to deliver each product. All delivery times are based on working days and do not include weekends or Bank Holidays.
For remote areas sometimes deliveries may take a little longer than specified.
We will contact you if there are any known delays in the delivery times on your order.
Delivery Method
All orders are despatched by the most suitable and economic method.
If you have ordered several items they may arrive separately to make sure they are delivered by the quickest and most appropriate method, and to guarantee you get the best prices.
Please note our carriers do not offer fixed time slots, and due to time constraints are not able to telephone before delivering.
Product Attribute

UK's Largest Stockholding
Next Day Delivery Available
UK Mainland Delivery from £17
Minimum 1 Year Guarantee